泉州市安科职业卫生技术服务有限公司
首页
公司介绍
服务项目
职业卫生技术服务
安全生产技术服务
仪器设施
企业资质
公司业绩
职业健康知识
联系我们
首页
公司介绍
服务项目
职业卫生技术服务
安全生产技术服务
仪器设施
企业资质
公司业绩
职业健康知识
联系我们
您当前的位置:
首页
>
企业资质
>
公司业绩
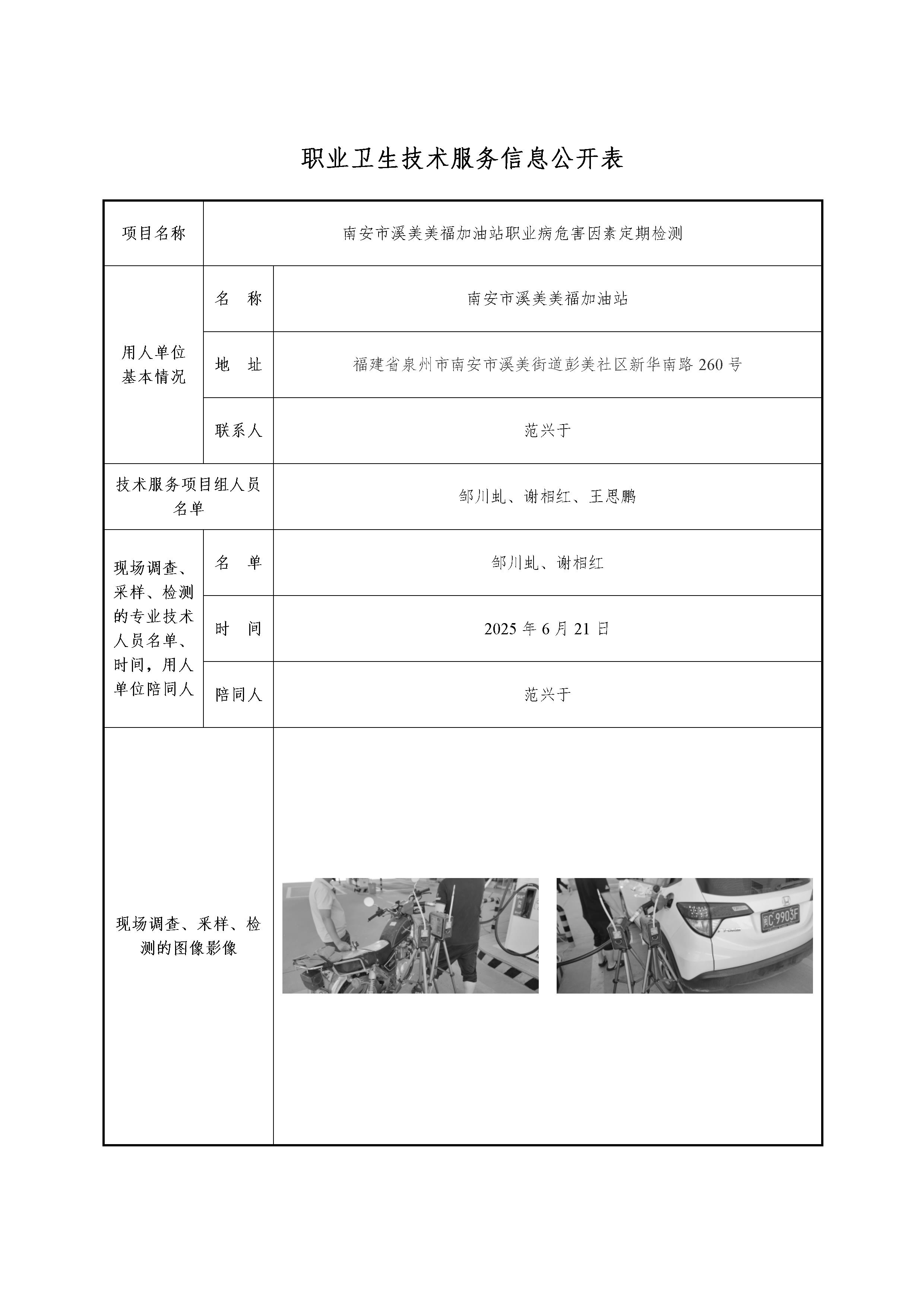
南安市溪美美福加油站
留言咨询
更多信息
分享:
请选择产品规格
关闭
提示信息
上一条:
南安市东田南同加油站
下一条:
南安市美林南永加油站
关键词:
南安市溪美美福加油站
产品介绍
为确保网站收录效果,请输入不少于200字且非重复的产品内容介绍。
猜你喜欢
相关推荐
福建纬璇织造有限公司
福建海峡科化富兴建设工程有限公司上杭分公司
建新橡胶(福建)有限公司
泉州市中博家具发展有限公司
企业资质
公司业绩
荣誉证书
安科专利
企业资质
全部
公司业绩
荣誉证书
安科专利
企业资质
电话咨询
短信咨询
留言咨询
查看地图